Skip to main content

Accesorios de conexión de cilindros hidráulicos

Todos nuestros cilindros pueden estar conectados con cualquier tipo de terminales y accesorios de conexión standard del mercado.

Todos los componentes son intercambiables y compatibles con las principales marcas del mercado, garantizando un funcionamiento seguro y eficiente en entornos industriales exigentes.

Es recomendable que sea el cliente quien adquiera localmente estos accesorios. Si el cliente desea conectar un terminal específico, diferente al accesorio standard que se expone en nuestra oferta, podemos mecanizar el extremo delantero del vástago con rosca macho o hembra que se adaptarán al accesorio terminal que haya elegido. Tras recibir nuestra oferta, al enviarnos su pedido, se le requiere nos envíen un croquis o plano con datos de dimensiones y roscas. La construcción personalizada no incrementa el precio inicial de la oferta.

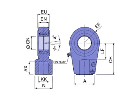
Rótula cilindro hidráulico y cabeza de rótula

Las rótulas para cilindro hidráulico y la cabeza de rótula cilindro hidráulico permiten movimientos angulares, reduciendo tensiones y desgaste. Son ideales para cilindros de doble efecto, ofreciendo un funcionamiento suave y mayor vida útil.

Estas terminales permiten la rotación, compensan desalineaciones y facilitan el mantenimiento en maquinaria de obras públicas, equipos industriales, de construcción y aplicaciones marítimas.

Arrastrador macho, chamela macho y horquilla

El arrastrador macho cilindro hidráulico, la chamela macho y la horquilla aseguran la transmisión de fuerza y la estabilidad del cilindro. Permiten rotación, compensan desalineaciones y facilitan el mantenimiento en maquinaria industrial, de construcción y marítima.

Descarga nuestro catálogo

Consulta todas las referencias, medidas y configuraciones disponibles en nuestro catálogo de accesorios hidráulicos.

Contacte con OLIOMATIC

Si necesita accesorios hidráulicos confiables y compatibles para sus cilindros, contacte con nuestro Equipo Técnico que le asesorará y resolverá cualquier duda, sobre la instalación, compatibilidad y soluciones a medida